2 minuti.. vsake 2 tedna.. pa je.
Legacy 2.0 GL zakuhal pri 300.000
pri kazalcu za vodo je en manjsi problem:metelko napisal/-a:no sej olje sem vedno gledal in to ni bil problem, za vodo pa ni kakega posebnega indikatorja(temp senzor je na mašini, če se ne motim) in če jo manjka malo še nič ne vidiš , gretja pa poleti ne kontroliraš, a ne?
racunalnik ti izravnava manjsa nihanja v temp. vode ki nastanejo zaradi odpiranja ventila in ventilatorja - to pomeni da ti kazalcek relativno pozno poskoci in je ko se dvigne navadno ze dokaj resno....vsaj po mojih izkusnjah
+ko sem kupoval mojega prvega subaruja so mi vsi lastniki subijev rekli: ce se kazalcek pri ogretem avtu kamorkoli premakne - ugotovi zakaj se je premaknu, ker to ni normalno
Tole sem zadnjič razlagal msenjurju pa nekak nisva prišla do dna, no zdej ma tuki mal bolj strokovno razlagobirdy napisal/-a:pri kazalcu za vodo je en manjsi problem:metelko napisal/-a:no sej olje sem vedno gledal in to ni bil problem, za vodo pa ni kakega posebnega indikatorja(temp senzor je na mašini, če se ne motim) in če jo manjka malo še nič ne vidiš , gretja pa poleti ne kontroliraš, a ne?
racunalnik ti izravnava manjsa nihanja v temp. vode ki nastanejo zaradi odpiranja ventila in ventilatorja - to pomeni da ti kazalcek relativno pozno poskoci in je ko se dvigne navadno ze dokaj resno....vsaj po mojih izkusnjah
+ko sem kupoval mojega prvega subaruja so mi vsi lastniki subijev rekli: ce se kazalcek pri ogretem avtu kamorkoli premakne - ugotovi zakaj se je premaknu, ker to ni normalno
What seems to be the Officer, problem?
Nč več turbo...
Nč več turbo...
- danci1973
- Član Subaru kluba
- Prispevki: 4465
- Pridružen: 05. Januar 2007, 14:25
- Kraj: Maribor, Slovenia
- Kontakt:
http://www.subaru-slo.net/userpix/198_termometer_1.jpgbirdy napisal/-a:pri kazalcu za vodo je en manjsi problem:metelko napisal/-a:no sej olje sem vedno gledal in to ni bil problem, za vodo pa ni kakega posebnega indikatorja(temp senzor je na mašini, če se ne motim) in če jo manjka malo še nič ne vidiš , gretja pa poleti ne kontroliraš, a ne?
racunalnik ti izravnava manjsa nihanja v temp. vode ki nastanejo zaradi odpiranja ventila in ventilatorja - to pomeni da ti kazalcek relativno pozno poskoci in je ko se dvigne navadno ze dokaj resno....vsaj po mojih izkusnjah
Točka 'B' je napajanje preko ključavnice in varovalke...
D.
te slikce ne morem povecat na berljivo velikost
kar se tice kazalcka in nihanja - meni v nbenmu ni nihal, nkol(vedno se je segrel in pol tm stal do nadalnega)
ko se je premaknu na bivsem legiju od subi92 je pocu kiler.....pa se kako tako naklucje
@danci - lepo za te 4min, sam to ZELO varira od nacina voznje - mojih 6 min je bilo podanih za res res lenobno voznjo z vecino stanja na semaforjih(razdalja kodeljevo - jarse in nazaj)
kar se tice kazalcka in nihanja - meni v nbenmu ni nihal, nkol(vedno se je segrel in pol tm stal do nadalnega)
ko se je premaknu na bivsem legiju od subi92 je pocu kiler.....pa se kako tako naklucje
@danci - lepo za te 4min, sam to ZELO varira od nacina voznje - mojih 6 min je bilo podanih za res res lenobno voznjo z vecino stanja na semaforjih(razdalja kodeljevo - jarse in nazaj)
- danci1973
- Član Subaru kluba
- Prispevki: 4465
- Pridružen: 05. Januar 2007, 14:25
- Kraj: Maribor, Slovenia
- Kontakt:
Sem opazu, da ne gre...birdy napisal/-a:te slikce ne morem povecat na berljivo velikost
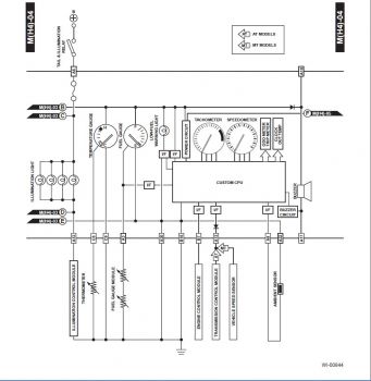
V glavnem - kazalec za temperaturo vodeje povezan direktno na termometer in nima nič z ECU-jem.
Moj se je kar lepo pregreval, ko je hladilnik pri vratu puščal mimo čepa - kazalec je na spremembe reagiral dokaj hitro (ko je narastukar se tice kazalcka in nihanja - meni v nbenmu ni nihal, nkol(vedno se je segrel in pol tm stal do nadalnega)
ko se je premaknu na bivsem legiju od subi92 je pocu kiler.....pa se kako tako naklucje![]()
Res pa ni 'nihal' tako kot recimo pri Jumper-u, kjer se na kazalcu pozna, če stojiš pred semaforjem ali pa greš v hirb - ampak tam se to dejansko pozna tudi na temperaturi - pred semaforjem piha hladneje, v hrib pa vroče...
Na Legacy-u tudi tega ni, tako da je verjetno uravnavanje temperature pač narejeno dobro, za razliko od francoskega klumpa...
Pri meni tudi - mestna vožnja, prvih 500m po hribu navzdol, potem pa več-al-manj ravno s semafori - max. hitrost 52,5 km/h...@danci - lepo za te 4min, sam to ZELO varira od nacina voznje - mojih 6 min je bilo podanih za res res lenobno voznjo z vecino stanja na semaforjih(razdalja kodeljevo - jarse in nazaj)
Slab termostat? Čeprav bi potem pričakoval, da bo to bistvena razlika...birdy napisal/-a:pa to sm pozabu - iz meni neznanega razloga se outback (2.5 tko kt tvoj danci) segreva pocasneje?!? kot se je 2.0GL
D.
ja jest sm govoru, da je moj cagr skoz pri miru. teb se pa premika. a ni bilo tko?? se ne spomnem več najbl...LSlabe napisal/-a:Tole sem zadnjič razlagal msenjurju pa nekak nisva prišla do dna, no zdej ma tuki mal bolj strokovno razlagobirdy napisal/-a:pri kazalcu za vodo je en manjsi problem:metelko napisal/-a:no sej olje sem vedno gledal in to ni bil problem, za vodo pa ni kakega posebnega indikatorja(temp senzor je na mašini, če se ne motim) in če jo manjka malo še nič ne vidiš , gretja pa poleti ne kontroliraš, a ne?
racunalnik ti izravnava manjsa nihanja v temp. vode ki nastanejo zaradi odpiranja ventila in ventilatorja - to pomeni da ti kazalcek relativno pozno poskoci in je ko se dvigne navadno ze dokaj resno....vsaj po mojih izkusnjah
+ko sem kupoval mojega prvega subaruja so mi vsi lastniki subijev rekli: ce se kazalcek pri ogretem avtu kamorkoli premakne - ugotovi zakaj se je premaknu, ker to ni normalno
pri fordu se itak dogajajo skor nemogoče stvariLSlabe napisal/-a:NE men se ne premika, pr fordu od Nine pa se
tale pa zmaga
http://www.subaru-slo.net/userpix/696_IMG00238_1.jpg
to ni bilo pri fordu!!!
Kdo je na strani
Po forumu brska: 0 registriranih uporabnikov in 5 gostov